欢迎来到湖南壹号娱乐电源有限公司!

直流屏

直流屏接线方案,你知多少?

  • 发布时间:2020-07-01
  • 发布者:管理员
  • 来源:本站
  • 阅读量:

一、直流屏的基本组成形式

电力行业所用的直流屏(也称:电力操作电源,简称直流屏)实际上像小孩堆积木是由充电模块、监控器、硅链、绝缘监察仪、电池巡检仪、开关量检测单元、馈线回路、蓄电池组、逆变电源、直流变换器等采用不同排列组合而成。

电力操作电源基本组成形式

*电力操作电源基本组成形式

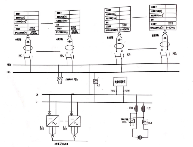
二、采用壹号娱乐电源公司提供核心部件,可提供8种直流屏接线方式

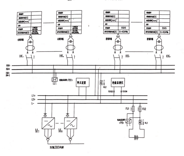
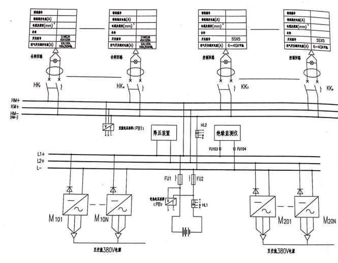
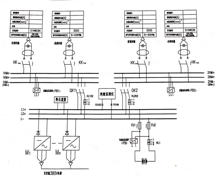
1. 单电池组,单母线分段

直流屏接线图


*无降压装置  YHP-CZDW30

直流屏接线图


*有降压装置  YHP-CZDW32


直流屏接线图

*有降压装置  YHP-CZDW34


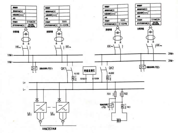
2.单电池组、单母线不分段

直流屏接线图

*无降压装置  YHP-CZDW31

直流屏接线图


*有降压装置  YHP-CZDW33

直流屏接线图

有降压装置  YHP-CZDW35


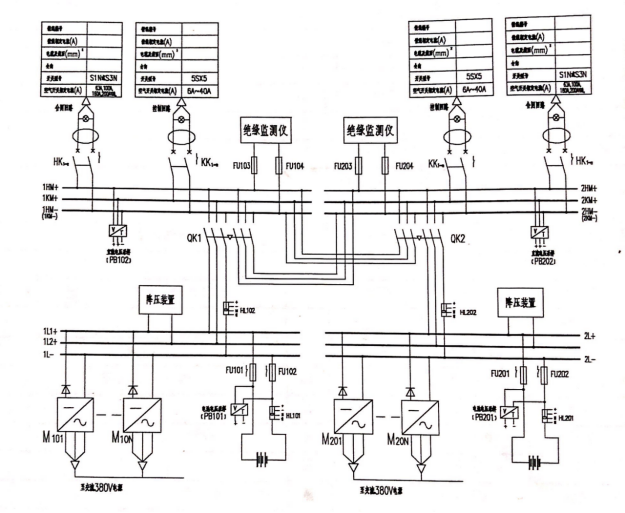
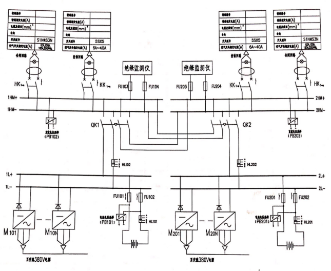
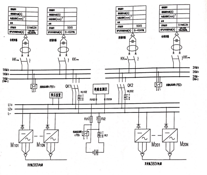
3. 双电池组、双组充电模块、双监控模块、单母线分段

直流屏接线图


无降压装置  YHP-CZDW40

直流屏接线图

有降压装置  YHP-CZDW42

湖南壹号娱乐电源可以根据你的需求或为你提供专业的咨询,为你量身定做:

水电站专用直流屏

泵站专用直流屏

变电站专用直流屏

厂矿企业专用直流屏

电网专用直流屏

智能交直流一体化屏


15111-301-302
版权所有:Copyright @copy; 2021 湖南壹号娱乐电源有限公司 , All Rights Reserved
备案号:湘ICP备2021020046号-1
技术支持:麦桃科技

联系壹号娱乐

湖南壹号娱乐电源有限公司
电话:15111-301-302
电话:0731-88990506
传真:0731-88990506 地址:长沙桐梓坡西路国家高新区麓谷国际工业园A4栋

扫描二维码

扫一扫

在线咨询

15111-301-302

手机官网

免责声明:本站支持广告法相关规定, 且已竭力规避使用“极限化违禁词",如不慎出现仅代本站范围内对比,不支持以任何"违禁词”为借口举报我司违反《广告法》的变相勒索行为! 本站部分素材来源互联网,以传播信息为目的进行转载,如涉及版权请直接与客服联系,壹号娱乐将及时更正删除,谢谢。