智能高频开关电源直流屏------为您量身定做
GZDWGK系列智能高频开关直流电源屏
是集我司多年电力设备网上运行经验,针对电力系统设备未来发展方向而设计的新一代电力操作电源,代表了该系统未来的发展方向,广泛适用于发电厂、水电站、各类变电站、开闭所和用户变
湖南壹号娱乐电源专注直流电源20年,尤其对水电站直流屏具有很深技术沉淀,曾经走过很多弯路,犯过很多错:为一些水电站提供直流屏也老坏,不断地试错,终于找到水电站问题根源:
第1. 交流输入电压极高,特别是在讯期。
第2. 水电站设备常被雷击。
第3. 很多水电站地处偏远,设备已运行很久了,设备陈旧,合闸电流极高。
第4 ...........
选择壹号娱乐电源生产的“水电专用智能高频开关电源直流屏
水电站用户之所以选择壹号娱乐电源生产的“水电专用智能高频开关电源直流屏(简称:水电站专用智能直流屏)”
WHY?
是因为我壹号娱乐电源能帮助水电站用户解决以下几个问题:
A、湖南壹号娱乐电源yhpower专注直流屏20载,因为长期专注,所以专业;因为专业,所有简单。
B、直流屏内设立多重防雷措施,尽量降低直流屏内元器件不被雷击。
注:防雷是系统工程,直流屏内元器件是否完全不被雷击,还跟水电站整体电站防雷体系布局、设置有关。
C、直流屏独特防雷布局生产工艺,降低直流屏内元器件不被雷击。
注:有某些厂家买了很牛叉的防雷品牌,结果直流屏内元器件仍然被雷击,什么原因?因为他们不懂直流屏防雷元器件电气布局与设计、生产工艺,以为有好品牌的防雷产品就可以解决一切,错!错!错!不信,你试试!
D、我壹号娱乐电源公司智能高频开电源模块采用当今最前沿三电平技术,解决了水电站交流输入电压极高,交流输入电压不稳定带来给充电模块冲击与损坏的难题!
注:详见我壹号娱乐电源yhpower三电平智能充电模块产品介绍
E、针对设备陈旧,合闸电流极高的水电站用户,壹号娱乐避开了高频开关电源充电模块电流小的魔咒,可实现:四两拨千斤 功效,详见:点击桃源县黄石水电站直流屏项目
F、咱们智能水电站专用充电模块可实现输出短路保护,即外界发生短路了,但咱们的充电模块却不会烧坏。
G、为了确保后台不停电,时时监控水电站二次控制设备,都会建议用户配1台逆变电源,逆变电源比UPS电源好处是:不用另外配一批蓄电池,充分利用直流屏上大容量蓄电池。
H、 我司直流屏采用触摸屏大液晶屏监控器,具有RS485或232后台通讯功能,可以实行远程“四遥”功能。

*高频开关电源柜现场安装
根据系统容量我公司常做规格有
40AH 、65AH 、100AH、 120AH、 150AH 、200AH、300AH、500AH 、1000AH 、1500AH等;YHGZDW系列直流屏根据电压等级可分为:220DC、 110DC、 48DC等;
GXDW-GK-YH系列直流屏分三大类:
◆小型一体化屏系统:1面屏(一体化设计,集充电、馈电、电池一体)
◆标准一体化屏系统:2面屏(一体化设计,充馈电1面屏、电池1面屏)
◆分屏系统:3面(或以上)屏(分屏设计,充电屏、馈电屏灵活配置,易扩容)
屏柜尺寸(高×宽×深):2260×800×600mm,可定做其他规格
系统构件:
◆交流进线单元 | ◆双电源自动(手动)切换单元 | ◆三相(单相)防雷单元 |
◆中央监控单元 | ◆母线降压单元 | ◆高频整流模块单元 |
◆馈线回路单元 | ◆绝缘监测单元 | ◆闪光回路单元 |
◆蓄电池组单元 | ◆蓄电池监测单元 | ◆蓄电池放电仪单元 |
◆通信电源单元 | ◆直流变换器单元 | ◆逆变电源单元 |
系统特点:
◆采用单路或双路交流宽带电压输入(30V~456V),可自动切换
◆采用开关电源特有的可并联/模块化设计N+1热备份,可靠性高:
◆采用智能高频开关整流技术,对电池实现智能充电管理
◆高精度动态均流,可自主、主控或受控运行
◆充电模块可带电插拔,安装维护方便:
◆液晶汉显或触摸屏汉显,界面友好丰富,声光告警:
◆电源效率大于91%,功率因数大于0.99,无电网谐波污染
◆可通过监控器进行系统各部分的参数设置
◆可靠的防雷/接地及电气绝缘防护措施
◆多种通信规约,实现远程监控,无人值守技术参数项目
技术参数:
项目 | 技术指标 | 项目 | 技术指标 |
交流输入 | 380V(220V)±15%;50Hz±10% | 稳流精度 | ≤0.2% |
输出电压 | 220V(或110V)±20% | 稳压精度 | ≤0.2% |
额定输出电流 | 5-400A | 动态响应 | 150u |
系统效率 | 91% | 纹波系数 | ≤0.1% |
功率因数 | 0.99 | 并机不均流 | ≤3% |
抗 雷 击 | 8/20μS40KA | 绝缘强度 | 1500VAC50Hz |
噪音 | ≤60db | 内部散热温升 | ≤30℃ |
保护功能 | 过压、过流、过热、缺相、交流失电、输出短路保护、声光报警等多种保护 | ||

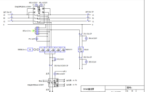
*300AH直流屏电气原理图

*1.6米高直流屏,2.2米高直流屏


